Czujnik optyczny G50-3A30JC

Dostępność: 40
Wysyłka w: 24 godziny
Dostawa: Cena nie zawiera ewentualnych kosztów płatności sprawdź formy dostawy
Cena brutto: 80,00 zł
zawiera 23% VAT, bez kosztów dostawy
80.00
Cena netto: 65,04 zł
bez 23% VAT i kosztów dostawy
ilość szt.

towar niedostępny

dodaj do przechowalni
Producent: CHUX
Kod produktu: G50-3A30JC

Opis

Czujnik optyczny G50-3A30JC

Typ czujnika

optyczny odbiciowy

Konfiguracja wyjścia

przekaźnikowe / NO+NC

Zasięg

0...30cm

Napięcie zasilania

10...30VDC

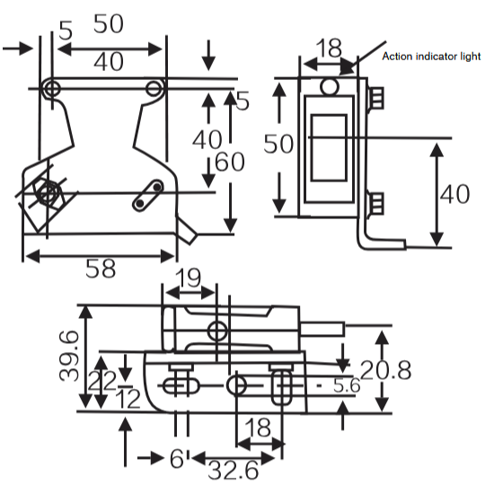
Obudowa czujnika

prostokątna, 18x50mm

Przyłącze

przewód 2m

Prąd pracy maks.

3A

Regulacja czułości

posiada

Materiał korpusu

plastik

     

Dane techniczne

Typ wyjścia przekaźnik
Funkcja wyjścia NO/NC
Rodzaj napięcia DC
Strefa działania 30cm
Obudowa czujnika prostokątna
Rodzaj czoła nie dotyczy
Wyprowadzenia przewód
Rodzaj czujnika optycznego odbiciowy

Koszty dostawy Cena nie zawiera ewentualnych kosztów płatności

Kraj wysyłki:

Produkty powiązane

pon.- pt. godz. 9:00 - 16:00 728 872 431 71 793 27 33
do góry
Sklep jest w trybie podglądu
Pokaż pełną wersję strony
Sklep internetowy Shoper.pl